
15.6 Inch 4k Display Overview
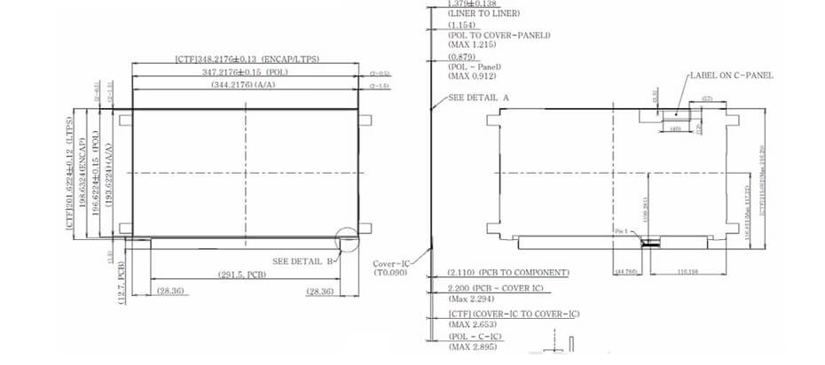
ATNA56WR14-0 supports display 3840(RGB)×2160 (UHD) with aspect ratio of 16:9 (W:H), whose pixels are arranged in RGB Vertical Stripe, it's pixel density is 283 PPI. It features active area of 344.218(W)×193.622(H) mm, outline size of 348.218(W)×215.662(H)×2.9(D) mm, with surface treament of Glare (Haze 0%), net weight of 200g (Max.), shape stype of Slim (PCBA Flat, T≤3.2mm). ATNA56WR14-0 can provides 440 cd/m² display brightness 100000:1 transimissive contrast ratio, 85/85/85/85 (Typ.)(CR≥10) (L/R/U/D) viewing angle, best view direction on Symmetry , and response time of 1 (Typ.)(Tr+Td) ms. Gray scale or the brightness of the sub-pixel is determined with a 8-bit + FRC gray scale signal for each dot, thus presenting a palette of 1.06B colors, also with performance of color gamut 100% (DCI-P3). This product emiting itself . ATNA56WR14-0 utilizes eDP (4 Lanes) as it's signal inputting systerm, which connected by 40 pins Connector with power supply voltage of 3.3V (Typ.). It's typical vertical frame rate (Fv) is 60Hz.

15.6 Inch 4k Display Drawing

More 15.6 Inch 4k Display For Reference
NE156QUM-N64 (LCM, 3840x2160, eDP, 350nits, 0~50°C, 350.52x205.92mm)
NE156QUM-N66 (LCM, 3840x2160, eDP, 500nits, 0~50°C, 350.66x216.12mm)
NE156QUM-N6A (LCM, 3840x2160, eDP, 600nits, 0~50°C, 350.66x216.12mm)
NE156QUM-N6C (LCM, 3840x2160, eDP, 600nits, 0~50°C, 350.72x216.14mm)
NE156QUM-NZ4 (LCM, 3840x2160, eDP, 600nits, 0~50°C, 349.92x215.77mm)
NE156QUM-NM1 (LCM, 3840x2160, eDP, 1000nits, 0~50°C, 350.62x223.67mm)
ATNA56WR06-0 (OLED, 3840x2160, eDP, 440nits, -20~70°C, 348.218x215.572mm)
ATNA56WR14-0 (OLED, 3840x2160, eDP, 440nits, -20~70°C, 348.218x215.662mm)
ATNA56WR01-002 (OLED, 3840x2160, eDP, 400nits, -20~70°C, 348.218x215.572mm)
ATNA56WR18-0 (OLED, 3840x2160, eDP, 440nits, -20~70°C, 348.218x215.662mm)
EF60UBA68.A (OLED, 3840x2160, eDP, 400nits, -20~70°C, 348.48x201.62mm)
ATNA56WR04-0 (OLED, 3840x2160, eDP, 440nits, -20~70°C, 348.218x215.397mm)



4k &8K Display Applications

Production and Manufacturing


At Youritech, we design and manufacture standard, semi-custom and full custom LCD/OLED display modules,touch screen,driver board,open frame. Contact us today,let our engineering team quickly and accurately feedback you with details.